INVINSCAN 3D振镜
产品信息
典范应用
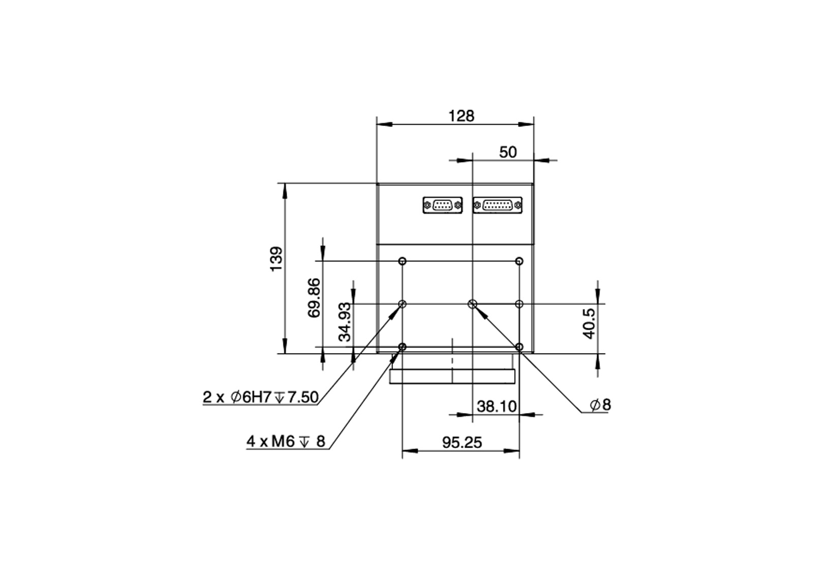
主要配置
|
主要配置 |
|||
|
参数 |
型号 |
||
|
A1064-14 |
A355-14 |
||
|
振镜参数 |
通光孔径 |
8mm |
|
|
追随误差 |
0.3ms |
||
|
标刻速度 |
3000mm/s |
||
|
定位速度 |
7000mm/s |
||
|
1%全行程 |
0.65ms |
||
|
10%全行程 |
1.6ms |
||
|
重复精度 |
< 2µrad |
||
|
增益漂移 |
< 80ppm/K |
||
|
零位漂移 |
< 15µrad/K |
||
|
8小时漂移 |
< 0.3mrad |
||
|
非线性度 |
< 0.4% |
||
|
接口协议 |
XY2-100 |
||
| 扫描角度 |
±0.35rad |
||
|
光学参数 |
波长 |
1030-1070nm |
355nm |
|
最大蒙受功率 |
100W |
25W |
|
|
事情规模 |
150*150① |
150*150② |
|
|
动态变焦系统参数 |
系统入射光斑 |
7mm |
<2.8mm |
|
扩束比 |
1.4 |
5 |
|
|
变焦规模 |
±30mm |
±20mm |
|
|
基本参数 |
供电电源 |
±15V DC, ≥5A |
|
|
事情温度 |
25±10℃ |
||
注:① 配175-254定制场镜,焦距254mm
② 适配180-300定制场镜,焦距300mm
典范应用
INVINSCAN 3D振镜可用于脆性质料切割、纹理、外貌处理、深雕浮雕、3D打印等。





上一个
G3 Weld焊接振镜
下一个
G3-3D振镜
联系意大利贵宾会官网
全国统一效劳热线
微信民众号
抖音企业号
效劳支持
意大利贵宾会官网
地点:北京市顺义区北务镇民泰路13号院22号楼
苏州意大利贵宾会官网激光技术有限公司
地点:江苏省苏州市虎丘区科技城漓江路56号3楼
广东意大利贵宾会官网科技有限公司
地点:广东省东莞市寮步镇仁居路1号松湖智谷研发中心A4栋1002室
意大利贵宾会官网武汉分公司
地点:湖北省武汉市东湖高新区大学园路华工科技园现代效劳业基地1号楼B座1101
版权所有 ? 2022 意大利贵宾会官网 京ICP备18045191号-1
网站建设:中企动力 北京